Four row tapered roller bearing OD:950mm/OD:1220mm/OD:1079.5mm/OD:1130.3mm/OD:1360mm
|
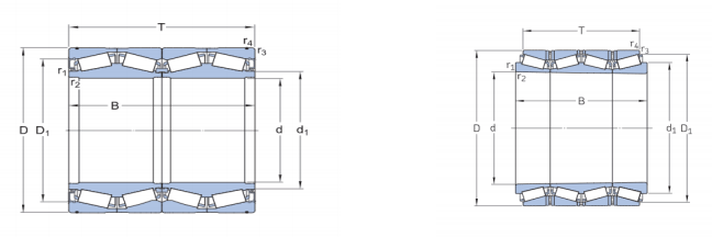
Designations |
Boundary Dimensions |
Basic Load Ratings |
Mass(kg) |
|||
|
d |
D |
B |
Cr |
Cor |
Refer. |
|
|
NP037181/ NP327704/ NP426265 |
750 |
950 |
410 |
10800 |
27780 |
703 |
|
NP476024/LM184015/ NP483799 |
750 |
1220 |
840 |
30500 |
71500 |
3979 |
|
M284249DGW/528480/ 10CD |
762 |
1079.5 |
787.4 |
20500 |
61900 |
2340 |
|
LM286248DGW/LM286410 |
863.6 |
1 130.3 |
669.925 |
19800 |
62000 |
1885 |
|
BT4B 334031/ HA4C1800 |
1 001 |
1 360 |
800 |
28350 |
82600 |
|





